PyroEtcher - автономный контроллер для 2-х осевых станков

Viter_OK

МЕСТНЫЙ
ПРОВЕРЕННЫЙ
Регистрация
30.11.2025
Сообщения
7
Реакции
1
Баллы
1
Город
Бишкек
Имя
*
  • Последнее редактирование:
Последнее редактирование:
IMG-20251201-220529.jpg


Простой ЧПУ контроллер для управления 2-х осевыми станками: лазер, пирограф, плоттер или рисовалка. Выполнение УП (G-код) как напрямую с компьютера по USB, так и автономно с SD-карты. Поддерживаются только основные команды G-кода - G2/3 дуги не поддерживаются. По USB контроллер работает с LightBurn или image2gcode. С SD-карты УП выполняется практически из любой программы - главное при сохранении УП указать не использовать G2/3 дуги. Изменение коэффициента подачи во время работы, в диапозоне 10-200%. Протокол передачи данных по USB совместим с Grbl. Только передача данных, полноценное управление не поддерживается, т.к. оно реализовано более удобно самим контроллером - дисплей и 7 кнопок управления. Все действия выполняются сразу нажатием соответствующих кнопок, никаких лишних меню и т.д. - 1 кнопка 1 или 2 действия. Есть поддержка концевиков и софт лимитов соответственно. ШИМ выход для управления мощностью лазера или другого инструмента. 2 дополнительных выхода - открытый коллектор и защитный диод. Можно напрямую подключить 12В реле, или любую другую нагрузку с током меньше 100мА. Назначение дополнительных выходов разнообразное: включение компрессора на лезерном станке, станки 2 в 1 - лазер на ШИМ выходе, нихром на одном из дополнительных выходов, или полное выключение станка после завершения работы.

IMG-20251201-213026.jpg


Взаимодействие с контроллером

IMG-20251201-215424.jpg


На главном экране отображается: время выполнения последней УП, координаты, состояние маркера - иконкой перекрестия. Следующая иконка показывает что активны софт лимиты. MANL просто значит ручное управление.

Перемещение каретки осуществляется соответствующими кнопками - ВПРАВО X+, ВВЕРХ Y+, ВЛЕВО X-, ВНИЗ Y-. Нажатие кнопки сдвигает каретку на 0.1мм, нажатие и удержание начинает непрерывное движение - сначала каретка проходит 5мм на медленной скорости, затем если кнопка продолжает удерживаться скорость становится больше. Это позволяет без дополнительного ручного изменения скорости легко и точно установить каретку в нужной точке, и быстро передвинуться к другому концу заготовки если это необходимо. Расстояние и скорости настраиваемые.

Кнопка ОДИН открывает экран со списком файлов на SD-карте. Навигация по списку кнопками ВВЕРХ и ВНИЗ, ОДИН - начать выполнение выбранного файла, ТРИ - отмена, вернуться на главный экран.

Кнопка ДВА переключает маркер - лазер включенный на минимальную мощность. Удержание запускает цикл homing'а.

Кнопка ТРИ - возврат каретки в нулевую точку. Удержание задает нулевую точку - обнуляет координаты по X и Y. Во время выполнения УП, homing'а и т.д. кнопка имеет функцию стоп/отмена.

IMG-20251201-215217.jpg


Во время выполнения УП на экране отображается: координаты в реальном времени, прогресс чтения файла с SD-карты или время, коэффициент подачи. Иконка питания показывает что после завершения УП станок будет выключен. Следующая иконка показывает текущее состояние - выполнение или пауза.

Кнопки ВВЕРХ и ВНИЗ используются для изменения коэффициента подачи. ВПРАВО - пауза/продолжить, ТРИ - стоп. ВЛЕВО активирует функцию полного отключения станка по завершению УП, если включено в настройках.

Работа с программой LightBurn

Контроллер может работать с программой LightBurn. Для этого нужно добавить новое GRBL устройство, и затем изменить настройки устройства как на скриншоте ниже. Во вкладке GCode добавить в Start GCode эту строку: G17G94G21G40G49

lightburn-device-settings.png


Настройка контроллера

Настройка контроллера выполняется таким же образом, как и настройка Grbl - через любую программу терминал для COM-порта. Или же большую часть параметров можно изменить в LightBurn, и остальные там же через консоль. Команда $$ выводит список всех параметров и их значения. Далее для изменения параметра используется команда $x=val.

$10x - шаги на миллиметр;
$11x - максимальная скорость, задается в мм/мин;
$12x - максимальное ускорение, задается в мм/сек^2;
$13x - размер стола, расстояние от концевого выключателя до другого конца, задается в мм;

$3 - инвертировать сигнал DIR на драйвер ШД, если ось двигается не в ту сторону, задается битовой маской;
$23 - направление поиска концевого выключателя, задается битовой маской;
$25 - скорость поиска концевого выключателя, задается в мм/мин;
$31 - мощность маркера, задается целым числом в диапазоне 0-255;
$32 - режим лазера, выбор между принудительно и авто, флажок;

Выше указанные параметры можно изменить через диалог настроек станка в LightBurn, а следующие только через консоль там-же.

$15 - функция полного отключения станка по завершению работы, флажок;
$17 - медленная скорость ручного перемещения каретки, задается в мм/мин;
$18 - расстояние после которого скорость каретки увеличется, задается в мм;
$19 - быстрая скорость ручного перемещения каретки, задается в мм/мин;

Битовая маска - 1 = X, 2 = Y, 3 = YX
Флажок - 0 = отключен, 1 = включен

Выключение станка после завершения УП

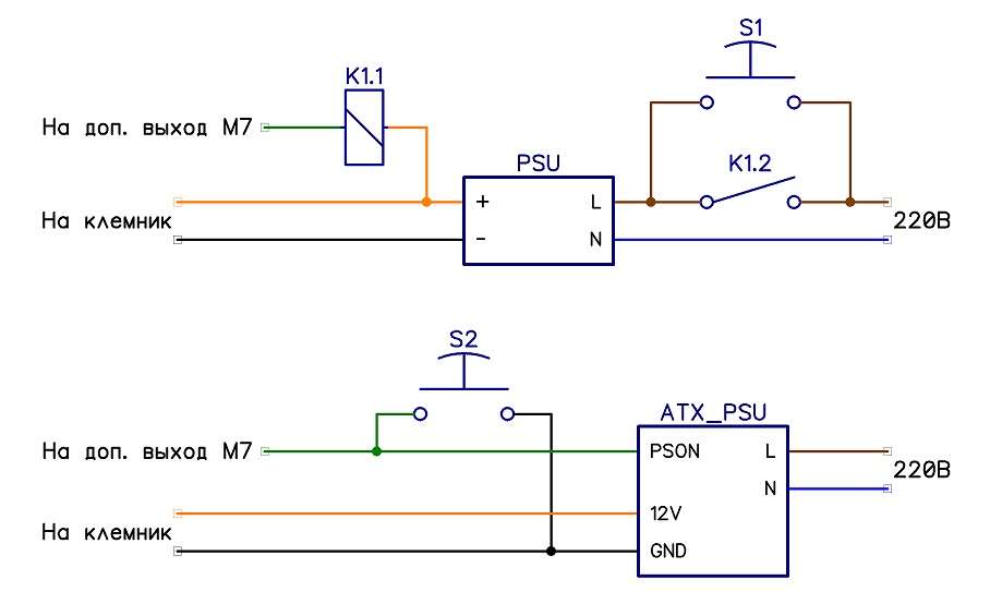
Выключение станка выполняется отключением БП от сети. Для этого в разрыв сетевого провода ставится реле, и параллельно реле кнопка. Кнопка нужна для включения станка - после включения контроллер сразу же замкнет реле, и кнопку можно отпустить. Реле подключается к дополнительному выходу M7.

Программное выключение станка является дополнительной функцией, которую необходимо сперва включить в настройках контроллера. Выключение выполняется только при успешном завершении УП, и работает как при выполнении УП с SD-карты, так и с компьютера. Если выполнение УП было прервано, по любым причинам, то выключения станка не произойдет!

Untitled-1.jpg


Поддерживаемые G-коды

Контроллер поддерживает только самый минимум необходимых G-кодов: G0, G1, G4, G20, G21, G53, G90, G91, G93, G94. M-коды: M0, M2, M30, M3, M4, M5, M7, M8, M9.

При активной опции полного отключения станка по завершению работы команда M7 становится недоступной, и приводит к ошибке при попытке ее использования.

S задается целым числом в диапазоне 0-255, значения большие 255 будут приравнены к 255. Режим лазера активируется командой M4, или командой M3 с S равным нулю. При этом не имеет значения когда была передана S, одной строкой вместе с командой M3, или несколькими строками ранее.

При стриминге G-кода по USB, первой отправленной строкой должна быть G17G94G21G40G49 - это переведет контроллер в режим приема данных. Отправка данных должна завершаться отправкой команды конца УП - M2 или M30.

Контроллер использует общий буфер для блоков прочитанных с SD-карты, и для данных принятых по USB. Поэтому попытки соединения с контроллером во время выполнения УП с SD-карты приведут к ошибке выполнения УП!

Обновление ПО контроллера

Обновление прошивки контроллера предусмотренно. Для этого нужно: на выключенном контроллере нажать и удерживать кнопки ОДИН и ДВА, и затем подать питание - это переведет контроллер в режим bootloader'а. В режиме bootloader'а на экране контроллера ничего отображаться не будет.

Утилита для загрузки ПО в контроллер: Release v1.1.0 · arrsoft312/arduino-hex-loader

Нужно выбрать dat-файл и корректный COM-порт, нажать Upload и дождаться завершения. Если во время прошивки что-то пошло не так, нужно обесточить контроллер и начать заново. В некоторых случаях после обновления прошивки происходит сброс настроек контроллера!
Ваши сообщения автоматически объединены:

schematic.jpg

Версия для самостоятельной сборки. Она чуточку отличается от того что выше, но в общем тот же контроллер. Ручное перемещение имеет две скорости - быструю и медленную, переключение между ними кнопкой HIGH/LOW. RUN/PAUSE открывает экран со списком файлов на карте памяти, запускает выбранный файл, и работает как продолжить/пауза. STOP - останавливает выполнение файла. LASER - включает лазер на минимальную мощность. $-параметры чуточку отличаются, но основные соответствуют описанию выше.

Чертежи плат от пользователей

IMG-20170731-214116.jpg

2017-07-31-215233.jpg

IMG-20171021-165933.jpg

IMG-20171021-165942.jpg

IMG-20171021-165950.jpg

IMG-20171021-170003.jpg

IMG-20171021-170017.jpg

IMG-20171021-170039.jpg

KASKADE-ARDNANO.txt - это HEX-файл прошивки, раньше контроллер назывался Каскад. Просто поменяйте расширение с txt на hex, или можно открыть txt вместо hex, будет тоже самое.

Утилита для загрузки HEX-файлов в платы Arduino UNO, Nano и MEGA2560: xLoader2
 

Вложения

  • 4arus.zip
    14 KB · Просмотры: 3
  • DobriyKit.zip
    106 KB · Просмотры: 2
  • DobriyKit-pcb.pdf
    79.8 KB · Просмотры: 4
  • KASKADE-ARDNANO.txt
    84.3 KB · Просмотры: 3
Сверху Снизу