- Регистрация
- 18.01.2025
- Сообщения
- 16
- Реакции
- 15
- Баллы
- 63
- Город
- Казань
- Имя
- Андрей
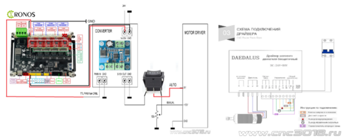
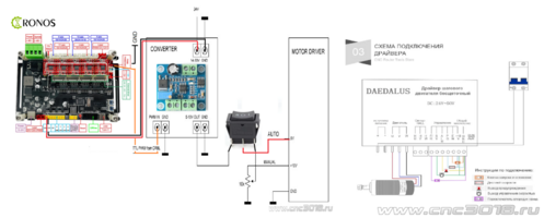
Здравствуйте. Приобрел такую-же плату, запустил, оси двигаются. Но проблемы есть. Шпиндель 48 в запускается кнопкой в Candle и командой М3,
загорается синий светодиод на плате, но не выключается ни кнопкой, ни М5 и М30. Только обесточиванием. Также появились новые настройки, описание которых я не нашел.
$33=0
$34=0
$35=0
$36=0
$37=0
$38=10
$39=0
Прошу помощи.
Ваши сообщения автоматически объединены:
вот листинг настройки на эту плату правда на eng языке)
